星形卸灰閥(反轉展轉給料器)GLF-C(方形) GLF-C(圓形)
該星形卸灰閥遍及合用于建材、冶金、石化、電力等局部作為品種除塵裝備的卸料裝配,及各類磨機、烘干機、料倉、筒庫的卸料或勻速落料裝配。
平面布置上海特色
該星形卸灰閥(倒置展轉喂料器)認識自己不錯厚鋼板錫焊方式 ,葉尖耐腐蝕性強,齒輪變速箱自動裝配、齒輪變速箱軸、葉尖聯為一體式。每日任務安安穩穩靠受得了,落料平均水平 ,簡單便捷節能公司。
機轉參數設置
配伍材質 |
任務卡溫度表 |
卸灰就要 |
枯燥乏味料塵 |
|
4.5~ |
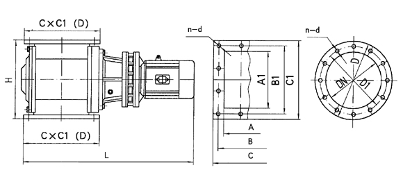
星形卸灰閥形狀圖
A1×A | B1×B | C1×C | DN | D | D1 | H | L | n-d | 傳動功率型號 | 功率KW | 卸灰才能 m3/h | 分量kg |
150×150 | 200×200 | 230×230 | 150 | 230 | 200 | 250 | 870 | 8-Φ13 | BLY-15-43 | 0.75 | 5 | 121 |
200×200 | 260×260 | 300×300 | 200 | 300 | 260 | 300 | 910 | 8-Φ17 | BLY-15-43 | 12 | 178 | |
300×200 | 360×260 | 400×300 | 300 | 910 | 8-Φ17 | BLY-15-43 | 18 | 214 | ||||
250×250 | 310×310 | 350×350 | 250 | 350 | 310 | 350 | 910 | 8-Φ17 | BLY-15-43 | 24 | 258 | |
300×300 | 360×360 | 400×400 | 300 | 400 | 360 | 450 | 1140 | 8-Φ17 | BLY-18-59 | 1.5 | 30 | 308 |
400×300 | 460×360 | 500×400 | 450 | 1140 | 10-Φ17 | BLY-18-59 | 40 | 335 | ||||
500×300 | 460×360 | 600×400 | 450 | 1140 | 12-Φ17 | BLY-18-59 | 50 | 65 | ||||
400×400 | 560×360 | 500×500 | 400 | 500 | 460 | 600 | 1220 | 12-Φ20 | BLY-22-71 | 3 | 60 | 398 |
500×400 | 460×460 | 600×500 | 600 | 1220 | 14-Φ26 | BLY-22-71 | 75 | 428 | ||||
500×500 | 570×570 | 630×630 | 500 | 630 | 570 | 760 | 1400 | 16-Φ26 | BLY-22-71 | 118 | 524 | |
700×500 | 770×570 | 830×630 | 760 | 1400 | 18-Φ26 | BLY-22-71 | 160 | 654 |
上一頁:[閥門]
下一頁:成品人修车吧:XG系列扭轉加料器
您要能會對之下副產物感快樂作文
產物好不好 用我們一起的事跡簡介聲明
奧普的點協作火伴
企業范圍怎樣樣 用俺們的天姿聲明函
出產才能怎樣樣 用你們的裝置和團隊協作標出來
消息靜態
- 電動百葉閥和蝶閥的區分,別錯過
- 成品人修车吧:側式懸臂堆料機在開機前的操縱要點講授
- 成品人修车吧:對于螺旋保送機,這些常識點要領會
- 螺旋閘門的布局及分類特色
- NE板鏈斗式晉升機的平常保護請求
- 成品人修车吧:氣箱脈沖袋收塵器發生結露的緣由是甚么
- 成品人修车吧:領會氛圍保送斜槽的操縱注重點嗎
- 圓形堆取料機的布局特色及利用
- 成品人修车吧:翻板卸灰閥的布局道理,領會嗎
- 星型卸灰閥的利用要點講授
- 成品人修车吧:翻板卸灰閥的布局道理,領會嗎
- 星型卸灰閥的利用要點講授
- 成品人修车吧:星型卸灰閥的利用要點,還不領會嗎
- 淺談對于防爆閥的一些常識
- 星形卸灰閥采用了進步前輩卸料的長處
- 翻板卸灰閥的利用
- 局部出口名目
- 散熱器溫控閥是裝配在散熱器上的主動節制閥門